by Ron Simpson – N6GKJ
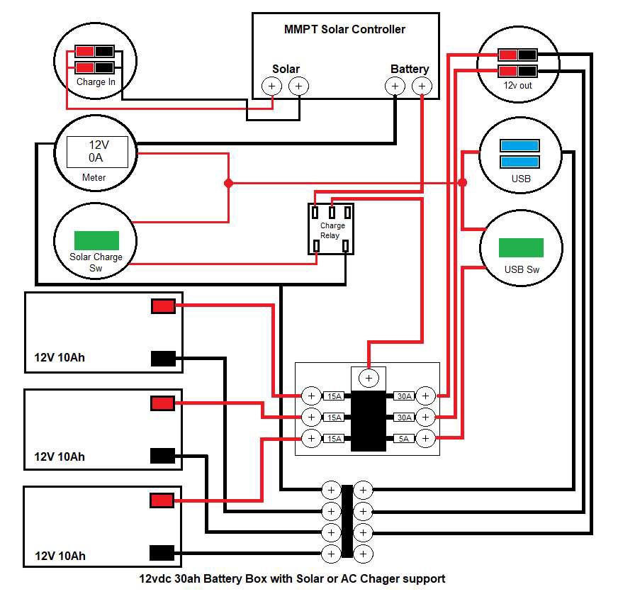
The Lodi ARC 12 volt, 30 amp-hour battery box is constructed into a 16x8x10 plastic box. It contains the following:
3ea 12v 10Ah batteries
6 position fuse box
Volt/Amp Meter
5V USB Power port
USB Power Switch, also turns on the voltmeter
2ea 12v 30A Power Ports
Power Werx Solar charger power input port
DC switch to turn off the solar charger
The batteries are wired to the fuse block and each battery has a 15 amp fuse in the block for that port. The USB port is wired into the fuse box with a 5 amp fuse. The output ports are wired to the fuse block with 30 amp fuses
Operations:
Turning the USB power switch on activates the USB port and turns power on to the volt/amp meter. Turning the Solar charge switch on activates the built in solar charger. To charge the batteries, plug in the solar panel cable and you will see the current being drawn by the battery pack on the amp meter display. You can also charge the battery pack using the 24v charger by plugging into the same charger port.
Remember that you must turn on the USB in order to turn on the solar charger. The solar charger is powered through a relay. All circuits are fused. The fuse ratings are chosen to be 1/3 higher than the current supply of the device protected. This is to insure that the fuse will not fail to heat fatigue.
Discover more from Lodi Amateur Radio Club
Subscribe to get the latest posts sent to your email.


